搜索
首页
走进文旅
集团简介
组织架构
企业荣誉
企业文化
文旅讲堂
文旅员工
文旅视频
新闻中心
企业动态
行业新闻
文旅镇江
企业公告
文旅活动
自媒体矩阵
党群建设
党建引领
群团动态
产业布局
电子画册
旅游景区
旅游服务
招商推介
联系我们
首页
走进文旅
企业文化
新闻中心
党群建设
产业布局
联系我们
分享到微信
打开微信,点击底部的“发现”,
使用“扫一扫”即可将网页分享至朋友圈。
当前位置:
首页
-
新闻中心
-
企业公告
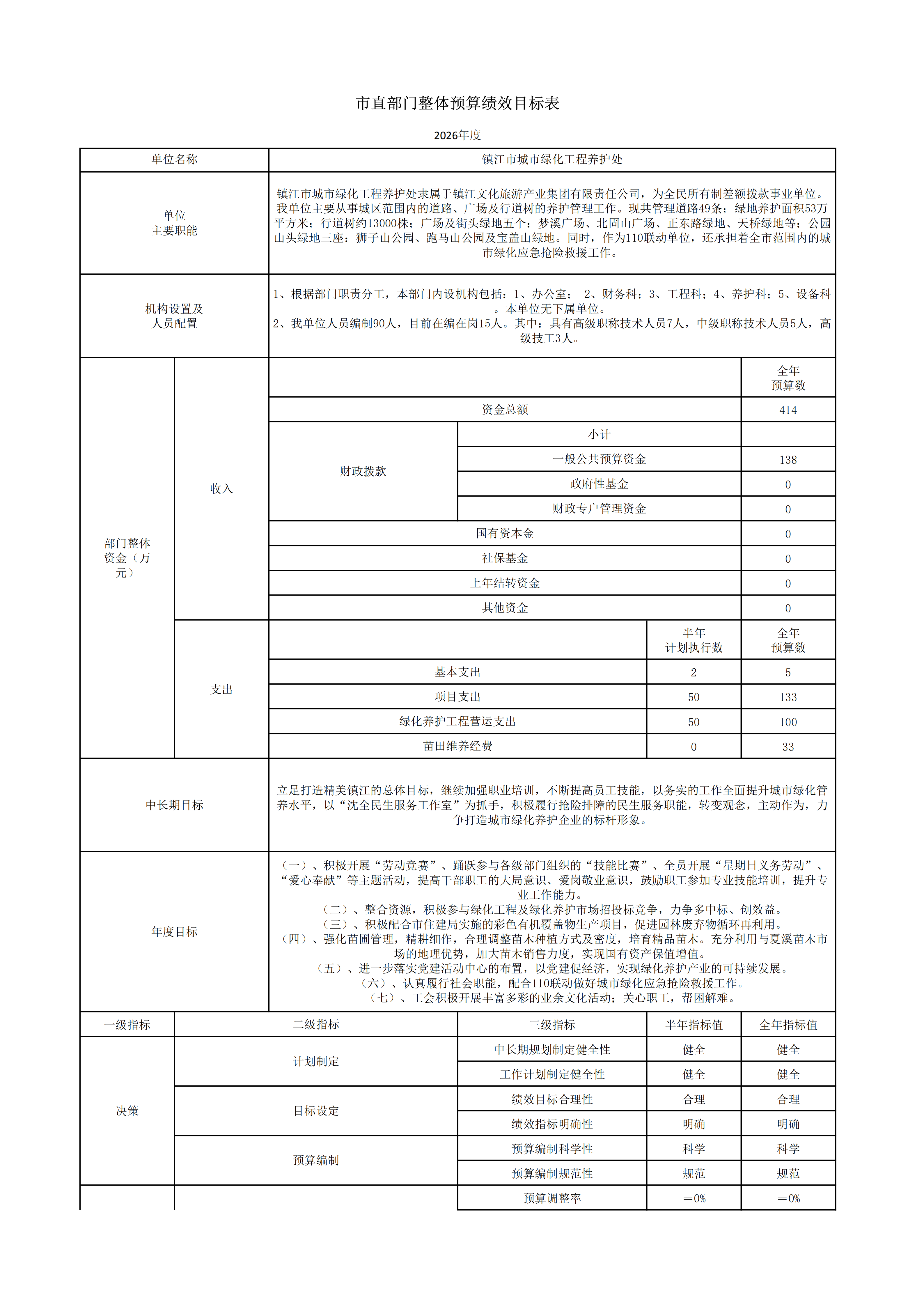
镇江市绿化工程养护处2026年年度绩效目标
时间:
2026-03-03
作者:
上一篇:
镇江市江滩开发管理处2026年部门整体绩效目标
下一篇:
镇江市城市绿化工程养护处2026年部门预算公开
新闻中心
企业动态
行业新闻
文旅镇江
企业公告
文旅活动
自媒体矩阵